


Valvola completa di servocomando con relè e mico ausilio per contatto pulito, alimentazione 230 Vac (volt corrente alternata) 50 Hertz, tempo di apertura/manovra 40 secondi
APPLICAZIONI:
Le valvole motorizzate possono essere utilizzate nei più svariati settori dell’impiantistica. Particolarmente indicate come valvole per la regolazione e contabilizzazione d’impianti di riscaldamento singoli o a zone, impianti con utilizzazione di energie alternative, impianti con fluidi caldi o freddi ed impianti di automazione in genere. Il servocomando opera sulla valvola con una rotazione di 90° passando dalla posizione di chiusura (by-pass) alla posizione di apertura e viceversa.
E’ possibile azionare manualmente la valvola, dopo aver sfilato il servocomando, agendo sul perno di manovra con una chiave fissa da 8 mm. Il piano fresato del perno è corrispondente al foro di by-pass laterale della sfera. Le valvole devono essere installate rispettando il senso di circolazione dell’acqua indicato indicato sul corpo valvola con una freccia. Questa valvola svolge la funzione di intercettazione del fluido termovettore e di rinviarlo nel tratto dell’impianto a monte della valvola mantenendo così bilanciata la portata nelle restanti zone che devono cedere calore.
CARATTERISTICHE TECNICHE DELLA VALVOLA:
Corpo valvola in ottone EN 12165-CW617N nichelato
Sfera in ottone EN 12164-CW617N cromata
Stelo di manovra in ottone EN 12164-CW617N con O-ring
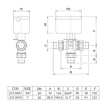
Passaggio totale DN20 (3/4”) - DN25 (1") - DN32 (1"1/4)
Temperatura del fluido termovettore da 0°C(*) a 100°C
Pressione di esercizio PN 16
Pressione differenziale massima 10 bar
CARATTERISTICHE TECNICHE DEL SERVOCOMANDO:
Potenza assorbita: 6VA (Volt ampere)
Contatto relè morsetti 2 -3: pulito (non in tensione) attivo a valvola aperta
Temperatura di esercizio: min -5°C max 55°C
Coppia max di rotazione: 8Nm (Newton metri)
Fusibile: 5x20 F350 mA